- Sección de Pre-tratamiento de la Planta de Extracción de Aceite
- Sección de Prensado para la Planta de Molienda de Aceite
- Planta de Extracción por Solventes
- Planta de Refinería de Aceite
- Sección de Llenado de la Planta de Molino de Aceite
- Planta de Modificación de Aceite
- Planta de Procesamiento de Semillas
- Línea de Producción de Aceite Pequeña
- Prensa de Aceite
Planta de Refinería de Aceite
Refinería de Aceite Comestible / Vegetal
La Refinería de Aceite Comestible / Vegetal es un proceso paso a paso. La refinación de aceite elimina los fosfolípidos, pigmentos y sabores extraños, ácidos grasos libres y otras impurezas. El proceso de refinación de aceite comprende desgomado / neutralización, blanqueo, desodorización y “acondicionamiento para el invierno”. Una refinación química se realiza con el fin de eliminar los ácidos grasos del aceite crudo que se extrae de las semillas. Estos se neutralizan con el uso de soda cáustica. Esto da como resultado la eliminación de los jabones de sodio por decantación o por lotes separadores centrífugos. Los aceites neutros son entonces blanqueados y desodorizados.
Aparte de refinado químico, otro método que se utiliza para el refinado de aceite comestible es refinado físico. A través de este método, los ácidos grasos libres se eliminan a través del proceso de destilación en una etapa de desodorización. Con el fin de llegar a resultados efectivos, el aceite crudo debe ser cuidadosamente desgomado. Esto no es aplicable, con algunos aceites como el aceite extraído de semillas de algodón. Todos los tipos de métodos de refinación se realizan con la ayuda de diversos equipos y maquinaria, y se utilizan para refinar casi todos los tipos de aceite que se extraen de las semillas oleaginosas como las semillas de girasol, semillas de lino, maní, semillas de sésamo y semillas de mostaza, etc.
Refinación física y química se define de acuerdo a la tecnología utilizada. Refinado físico significa la eliminación de la goma en el aceite a través del proceso de desgomado, un método especial para la eliminación de ácidos grasos libres en el proceso de desodorización con vapor. Refinación química, sin embargo, significa la eliminación químicamente AGL (ácido-base de neutralización). La goma y el jabón producido se separan con el uso de centrifugadoras.
![]() |
Características de la Refinación Física
|
Características de Refinado Químico
- Excelente capacidad de adaptación y menos requisitos para aceites de alta calidad
- El aceite final es consistente y estable
- Menos de tierra de blanqueo necesaria en comparación con el refinado físico
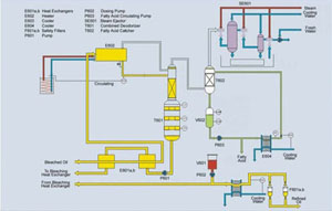
Proceso de Refinación de Aceite
Con 10 años de experiencia en la fabricación y exportación de plantas completas de extracción de aceite, así como una variedad de maquinaria de extrusión, KMEC es un experto en la refinación de aceite comestible. En la planta de refinación de aceite, hay varios pasos a seguir.
|
Sección de Neutralización del Aceite de La Planta de Refinado deAceite |
![]() |
|
Con 10 años de experiencia en la fabricación y exportación de plantas completas de extracción de aceite, así como una variedad de maquinaria de extrusión, KMEC es un experto en la refinación de aceite comestible. En la planta de refinación de aceite, hay varios pasos a seguir. |
|
Sección de Neutralización del Aceite de La Planta de Refinado de Aceite |
![]() |
| El aceite pre-tratado se somete a refinación alcalina. La soda cáustica reacciona con los ácidos grasos libres (FFA) presentes en el aceite y el jabón. El stock de jabón se separa luego por un separador centrífugo y el aceite se lava con agua para la eliminación completa de este. El agua de lavado se separa por separadores centrífugos. |
|
Sección de Desodorización del Aceite de la Planta de Refinado de Aceite |
Como su nombre indica este proceso es para la eliminación de olores. Cada aceite vegetal tiene su propio olor natural distinto. Durante la neutralización y el blanqueado, olores desagradables se imparten en el aceite, por lo cual es esencial eliminar este olor. La desodorización es esencialmente un proceso para eliminar la materia olorosa. La operación se lleva a cabo a una temperatura elevada mediante la inyección de vapor y manteniendo una presión alta en cuyo momento se destila toda la materia odorante y se retira a través de condensadores barométricos un sistema de vacío. El aceite resultante no tiene olor - aceite desodorizado. |
|
Sección de Blanqueo de Aceite de la Planta de Refinado de Aceite |
|
| El aceite neutralizado es tratado con tierra / carbón activado para la eliminación de pigmentos coloreados. El agente blanqueador se filtra en filtros de presión verticales de la hoja. Un diseño de varias partes asegura la consistencia de color uniforme con un mínimo de requisitos del agente blanqueador. La línea de blanqueamiento es muy versátil y adaptable a todas las variedades de aceite vegetal. |
![]() |
|
Sección de Desparafinado de Aceite de la Planta de Refinación de Aceite |
|
![]() |
Los aceites como el aceite de girasol o aceite de germen de maíz (aceite de maíz) tienen ceras presentes en ellos. A bajas temperaturas estas ceras dar una apariencia turbia al aceite. Por tanto, es fundamental eliminar estas ceras antes del embotellado y la comercialización del aceite. |
Cada vez que necesite información o desee adquirir maquinaria de calidad en el area de la refinación de aceite comestible / vegetal, solo debe enviarnos un correo electrónico. Podemos ayudarle a construir su planta de refinación de aceite. Estamos esperando sus consultas!
- Inicio
- Productos
- Proyectos
- Servicios
- Noticias
- Preguntas Frecuentes
- Politica de Privacidad
- Mapa del Sitio
- Contacto

English
Français
Русский


Como su nombre indica este proceso es para la eliminación de olores. Cada aceite vegetal tiene su propio olor natural distinto. Durante la neutralización y el blanqueado, olores desagradables se imparten en el aceite, por lo cual es esencial eliminar este olor. La desodorización es esencialmente un proceso para eliminar la materia olorosa. La operación se lleva a cabo a una temperatura elevada mediante la inyección de vapor y manteniendo una presión alta en cuyo momento se destila toda la materia odorante y se retira a través de condensadores barométricos un sistema de vacío. El aceite resultante no tiene olor - aceite desodorizado.


